As obras de construção da Ponte sobre o Rio Almada, em Ilhéus, estado da Bahia, no Brasil, foram concluídas em agosto de 2021 pela Empa S.A. Serviços de Engenharia, empresa do Grupo Teixeira Duarte.
Sobre a Obra
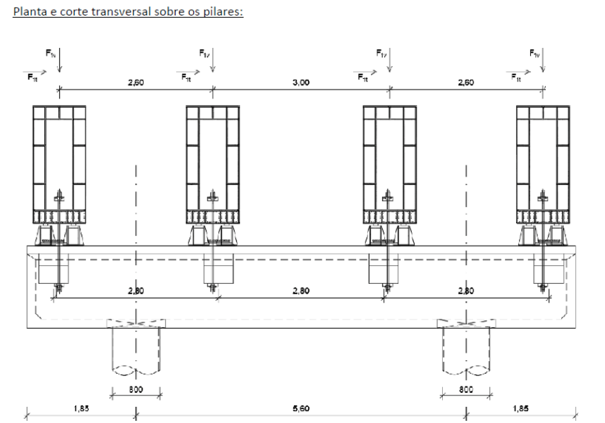
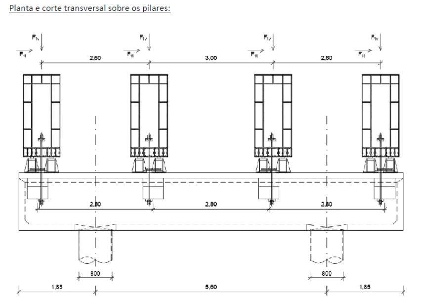
A Ponte sobre o Rio Almada tem uma extensão total de 236,80 m entre eixos de encontros, dividida em nove vãos, com comprimentos de 26,00 m + 7×26,40 m + 26,00 m. A altura máxima medida da linha de água à face inferior do tabuleiro é de 11,00 m. A estrutura vertical da ponte é constituída por dois encontros e 6 alinhamentos de pilares. Transversalmente, os encontros e alinhamento de pilares compõem um pórtico constituído por dois fustes verticais de diâmetro 800 mm, afastados entre si de 5,60 m e ligados por uma travessa retangular com as dimensões de 9,30 m x 1,50 m x 1,265 m no caso dos encontros e de 9,30 m x 1,50 m x 1,40 m no caso dos pilares. A fundação dos pilares é indireta, constitui uma solução designada por estaca-pilar, ou seja, a secção livre do fuste prolonga-se para o interior do solo (estaca) até atingir a cota de ponta. O comprimento máximo de estaca executado foi de 19,00 m. As estacas-pilares são compostas por tubos de aço de espessura 16mm e diâmetro exterior 800mm em toda a sua extensão, sendo o interior preenchido com concreto armado numa extensão de [ 9,00m a 17,00m ] abaixo da cota de fundo da travessa de ligação entre fustes.
A construção da Ponte sobre o Rio Almada faz parte das obras iniciais do Porto Sul, que também compreendem a construção dos caminhos de acesso do Terminal Portuário de Aritaguá, cujos serviços estão em fase de finalização.
Para a execução deste trabalho, a construtora utilizou uma metodologia inovadora, dimensionada exclusivamente para este projeto.
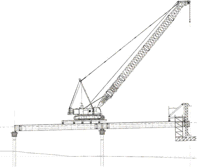
A obra foi executada com o auxílio de uma Plataforma de Apoio à Cravação de Estacas – cantitraveller -, que funcionou como estrutura provisória. O cantitraveller é composto por um conjunto de vigas metálicas de secção em caixão, plataforma de armazenamento (grua e equipamentos auxiliares) e guia de cravação dos tubos metálicos das estacas-pilares. As estruturas definitivas da ponte (longarina, vigas e tubos metálicos das estacas-pilar e as pré-lajes) foram lançadas na passagem do equipamento.
Por meio deste equipamento, foram lançadas 252 toneladas de vigas e 1.000 m³ de concreto, envolvendo cerca de 500 colaboradores, diretos e indiretos. Com a utilização do cantitraveller, com consola única de lançamento de 26,40m, eliminaram-se os 18 apoios provisórios e reduziu-se significativamente o impacto ambiental.
O equipamento funciona apoiado nas estruturas definitivas que constituem o suporte da ponte, ou seja, viga travessa e estacas metálicas, por ele mesmo posicionadas, dando assim seguimento aos ciclos de deslocamento e avanço para execução de todo o trabalho.
Após o lançamento das vigas caixão, procede-se ao avanço da estrutura que transporta e suspende a plataforma de trabalho e as peças de guiamento dos tubos metálicos das estacas-pilares. Após a fixação desta estrutura na extremidade das vigas caixão, faz-se a colocação e cravação das estacas metálicas, lançamento e concretagem da viga travessa. As pré-lajes dos tabuleiros também são içadas e lançadas por outro guindaste que circula sobre o tabuleiro construído, sendo a concretagem de consolidação realizada em fase posterior ao lançamento de todas elas no vão do tabuleiro.
Uma estrutura auxiliar suportada pelos pilares definitivos da ponte tem função principal de guiar os tubos metálicos das estacas na sua fase de cravação e execução dos pilares da ponte, sem recorrer a apoios adicionais para além dos pilares definitivos da ponte.
As vigas principais de apoio e movimentação do equipamento, nesta obra da ponte em Ilhéus, foram formadas por dois conjuntos de quatro vigas caixão.
Neste projeto, a plataforma de armazenamento do cantitraveller foi formada por um estrado de 14 m de largura e 13,5 m de comprimento, sobre o qual estavam uma grua e os martelos vibratórios e de percussão para cravação de estacas, além de outros materiais de apoio. O movimento longitudinal no cantitraveller é realizado por cilindros hidráulicos e dispõe de travão mecânico. O guia de cravação de estacas tem sua movimentação também feita por cilindros hidráulicos.
Reconhecimento
Esta metodologia inovadora e sustentável desenvolvida para a construção da Ponte sobre o Rio Almada foi vencedora 3º Prêmio InovaInfra 2022, na categoria “Estruturas”.
O prêmio é uma iniciativa da Revista OE (O Empreiteiro), que reconhece as empresas e profissionais que desenvolveram soluções inovadoras aplicadas em empreendimentos de infraestrutura – transportes, energia, saneamento, gás natural e petróleo, construção industrial e habilitação social, nos anos recentes. A obra também já foi destaque na revista em dezembro de 2021.
A metodologia utilizada também ficou entre os finalistas no Prêmio de Sustentabilidade no Ambiente Construído 2022, promovido pelo BuiltClab – Digital Built Environment, de Portugal.
Equipe de apoio
A obra de execução da Ponte sobre o Rio Almada contou com uma equipe de cerca de 500 colaboradores diretos e indiretos.
Para a concepção e implementação desta metodologia, contou com o auxílio de toda a equipe de obra e diversas empresas projetistas.
Em obra, a estrutura era composta para uma direção de obra, um engenheiro civil de produção, um engenheiro geotécnico na avaliação do comportamento da cravação dos tubos e sua limpeza e ensaio da estaca, um engenheiro mecânico no apoio do cantitraveller.
Todos estes engenheiros, tinham, na sua estrutura, encarregados e chefes de equipa que enquadravam as diferentes equipas nas diversas frentes de obra.
Ao nível do estaleiro, a preparação de obra e a topografia aferiam e preparavam as diferentes especialidades e comportamentos da ponte para a sua fase construtiva, alimentando o projetista da ponte e do cantitraveller das tensões e deformações registadas em obra durante a fase construtiva.
Todos estes trabalhos eram enquadrados com um setor de segurança que diariamente avaliava as “check-lists” de segurança com os diferentes responsáveis de frente de obra; ao nível do ambiente, o gestor ambiental avaliava o cumprimento dos planos com os diferentes organismos públicos e em termos de qualidade do projeto. Todos os materiais foram devidamente acompanhados desde a sua fase de fabrico até à sua aplicação em obra, cumprindo todas as NBR e legislação Brasileira.
Os diferentes “stakeholders”, mão-de-obra direta e equipamento direto, foram identificados e contratados em função das necessidades da produção operacional no tempo de construção da Ponte.
Da equipe mobilizada para a obra, alguns tiveram destaque na conceção e implementação desta metodologia apresentada. A seguir, os principais destaques:
Vagner Arêas – Engenheiro Civil, Superintendente de Obras
Gleison de Souza Carvalho – Engenheiro Civil, Gerente de Contrato
Edson Cunha – Chefe Administrativo
Ronaldo Cabral – Encarregado Geral
Edson Valandro – Engenheiro Mecânico
Jorge Barata – Engenheiro Civil, OE, com o número: 42315
Para a execução do projeto, foram envolvidas as seguintes empresas:
Projetistas
Ponte: EGT
Estrutura metálica do cantitraveller: BRAFER
Concepção: Strukturas, NRS
Projetista da estrutura metálica: HDP/Astecil
Revisor: EGT
Geotecnia: Vecttor
Construtor: EMPA S.A. – Serviços de Engenharia
Dono de Obra: BAMIN
Metodologia de Trabalho
A Obra
A obra onde foi aplicada a metodologia apresentada neste trabalho fica localizada em Ilhéus, no estado da Bahia, de propriedade da BAMIN, com prazo de execução de 20 meses, tendo ocorrido a prática em 4 meses a construção da Ponte com o cantitraveller em regime de 2 turnos.
Características da Ponte
A Ponte constitui uma estrutura porticada de nove vãos, com fundação apoiada de forma indireta através de uma solução de estaca-pilar executada em tubo metálico de diâmetro 800 mm. Os apoios constituem um pórtico de dois fustes (estaca-pilar) unidos a uma viga travessa de concreto.
O tabuleiro é constituído por uma estrutura mista – aço / concreto, isostática, apoiada tramo-tramo. Transversalmente, o tabuleiro é constituído por 4 longarinas metálica de secção “I”, travadas entre si por perfis horizontais ao nível dos banzos superior e inferior e perfis verticais em forma de “V”. As longarinas suportam a laje superior executada em pré-lajes pré-fabricadas de concreto armado, solidarizadas entre si por uma lâmina de compressão executada em obra.
Extensão total da ponte: 236,80m
Número de vãos: 9 vãos
Medida dos vãos: 26,00m + 26,40 x 7 vãos + 26,00m
Altura máxima do tabuleiro ao rio: 11,0m
Número dos pilares: 10 eixos x 2 pilares
Vão livre sobre o rio: 26,40m
Tipo de fundação: fundação indireta
Profundidade da fundação atingida: (-) 19,00m
Metodologia de Trabalho (de construção)
A ponte foi executada com o auxílio de uma plataforma de apoio à cravação de estacas-pilar – cantitraveller, que funcionou como estrutura provisória de apoio às principais atividades.
O Cantitraveller consiste em uma estrutura metálica projetada para comportar guindastes sobre esteiras, de forma que seja possibilitado o seu deslocamento sobre trilho, sendo o conjunto formado por contraventamento, capacetes, viga trilho, carros de trabalho e gabaritos que a cravação de estacas e o lançamento de vigas pré-moldadas, de forma suspensa. A estrutura é montada, sequencialmente, com o menor número de colaboradores possível, a fim de reduzir a exposição aos riscos de queda com diferença de nível.
Na obra da ponte sobre o rio Almada, a adoção desta metodologia teve como ponto favorável a intervenção no meio ambiente, considerando o fato da estrutura ser montada sobre o rio com largura de 80 metros onde foi construída uma ponte de 236,80 metros. Por meio dessa plataforma, foram lançadas 252 toneladas de vigas e 1.000 m³ de concreto.
Esse processo inovador reduziu consideravelmente o impacto ambiental no rio Almada, em Ilhéus, BA, como parte das obras de acesso ao Porto Sul. Com a extensão total de 236,80 m e fundação que atingiu 19 m de profundidade.
Com a utilização do cantitraveller, equipado com console único de lançamento de 26,40 m, eliminaram-se os 18 apoios provisórios que seriam necessários se o processo construtivo fosse tradicional e reduziu-se de forma significativa o impacto ambiental da obra.
A concepção inicial do projeto previa 10 apoios definitivos e 18 apoios provisórios que teriam que ser cravados para avançar com a obra da Ponte (aproximadamente 918m de cravação de estacas, com espaçamento de 8,8m).
Figura 1 – Condição inicial de apoios provisórios e seu impacto ambiental a mata atlântica.
Com a metodologia desenvolvida pela equipe de engenharia interna da EMPA, com o objetivo de minimizar os impactos ambientais no Rio Almada, que abastece toda a região de Ilhéus, ao invés de vencer vãos de 8,8m de espaçamento, vencemos o inédito vão de 26,4m, superando o máximo histórico de espaçamento antes alcançado, de cerca de 20m.
Eliminando estes apoios provisórios sobre o recurso hídrico, reduziu-se consideravelmente a intervenção dos equipamentos hidráulicos no rio, mitigando e minimizando desgastes, vazamentos de óleos, além da dificuldade que poderia existir para retirada destas estacas provisórias após a construção da ponte, que acarretariam em intervenções no leito do rio, causando desequilíbrio do ecossistema, prejudicando a fauna local, aumentando o risco de assoreamento.
A solução de engenharia utilizada na obra – metodologia Cantitraveller – também reduziu de forma significativa os riscos inerentes ao trabalho em altura, considerando que sua estrutura permite mecanismos de ancoragem mais seguros que o método convencional.
Pelo uso desta metodologia, a Empa foi premiada pela revista “O Empreiteiro” (OE), entidade de referência nacional, no âmbito de soluções inovadoras aplicadas em empreendimentos de infraestrutura – transportes, energia, saneamento, gás natural e petróleo, construção industrial e habilitação social no ano de 2021.
A solenidade de premiação aconteceu em 19 de abril de 2022, imprimindo significância a um valor do Grupo voltado à inovação em seus empreendimentos, com a efetiva prática da engenharia.
Considerando os resultados obtidos, o fato de reduzir significativamente os impactos ambientais e eliminar riscos aos trabalhadores envolvidos no trabalho em altura veio consolidar o sucesso pela escolha da metodologia e reforçar a prática de um valor empresarial com ética, sustentabilidade, respeito aos trabalhadores e ao meio ambiente, além de eficiência e eficácia nos processos operacionais.
Descrição do método construtivo
Principais desafios
A execução da metodologia enfrentou diversos desafios para ser implementada. Dentre eles, destacam-se os desafios ambientais, geotécnicos, estruturais/resistência e o próprio método construtivo.
Ambiental
Atravessamento da mata atlântica, com o cumprimento dos planos de gerenciamento de riscos, planos de atendimento de emergência, estudo de análise de risco suportadas na Licença da Instalação emitida pelo IBAMA, para os apoios provisórios – excluídos da Licença Inicial Ambiental.
Este tema será desenvolvido mais adiante, com a identificação das disposições construtivas que permitiram assegurar todas as medidas de mitigação ambiental em toda a fase construtiva, com a proteção da fauna e flora.
Figura 2 – Operação de montagem dos tubos provisórios. Solução inicial x lançamento em consola única de 26,40m.
Geotécnico
Capacidade de carga das estacas geotécnica / estaca: 350tf nos apoios intermediários e 250tf nos encontros.
Carga de serviço na estada de 348 tf / estaca na condição de lançamento da viga
Figura 3 – Carga máxima instalada nas condições de lançamento mais desfavorável.
Figura 4 – Dados da cravação das estacas.
- Carga instalada: 348 tf
- Carga do ensaio dinâmico: 460 tf x 370 tf
Coeficiente de segurança global de 1,80 para a condição de condição de cravação da estaca não embuchada.
Estrutural e resistência dos materiais
Materiais dos concreto das estacas fck = 30MPa e fck = 45MPa trabalhando dentro dos seus limites das tensões aos 28 dias, obrigando a ter fck ³ 60Mpa para poder absorver as tensões necessárias de serviço impostas pelo método construtivo, na fase de passagem do Cantitraveller.
Deformada da consola
A cravação dos tubos das estacas é efetuada através de uma estrutura de guiamento colocada na extremidade de toda a estrutura em consola.
Pela ação do peso próprio a deformada elástica atingia valores de > 17cm que tinham de ser corrigidos no controle de geometria de cada lançamento.
Por outro lado, a operação de cravação para garantir a verticalidade das estacas nos apoios definitivos da Ponte, introduzia forças verticais e horizontais que eram objeto de controle pela topografia.
Figura 5 – Deslocamento máximo admissível.
Figura 6 – Deformada da estrutura metálica do Cantitraveller em fase de serviço em regime elástico.
Concreto das vigas travessa onde apoiavam as vigas principais fck > 60Mpa, para poder ter a resistência > 37MPa – condição para apoio e passagem de cantitraveller.
Método Construtivo
Construção dos apoios – vigas travessas, com o auxílio de um guindaste de 200ton apoiado numa plataforma que permite o lançamento de estacas e sua cravação, concretagem e lançamento final da viga pré-fabricada com 26,40m em consola.
Descrição geral
A Plataforma de Apoio à Cravação de Estacas é uma estrutura auxiliar suportada pelos pilares definitivos da ponte e cuja função principal consiste em guiar os tubos metálicos das estacas na sua fase de cravação, sem recorrer a apoio adicionais para além dos pilares definitivos da ponte.
A plataforma permite ainda suportar uma grua, martelos vibratório e de percussão e outros equipamentos ligeiros de apoio à operação de cravação das estacas e construção da carlinga / viga travessa.
Figura 7 – Conjunto cantitraveller grua de 200ton.
A Plataforma de Apoio à Cravação de Estacas é constituída pelos seguintes componentes principais:
- Vigas de Apoio
- Plataforma de Armazenamento
- Guia de Cravação das Estacas
- Sistema de Ajuste da Pendente Longitudinal
- Rampa de Saída da Grua
- Passadiço de acesso ao cantitraveller
Figura 8 – Cantitraveller e identificação das estruturas.
Vigas de Apoio
As Vigas de Apoio são formadas por 2 conjuntos de 4 vigas caixão, equipadas com plataformas de trabalho e dispositivos de ancoragens às carlingas dos encontros e pilares.
As ligações topo-a-topo entre as vigas caixão são feitas por parafusos.
Plataforma de Armazenamento
A Plataforma de Armazenamento é formada por um estrado de aproximadamente 14m de largura por 13,5m de comprimento, sobre o qual será estacionada uma grua, os martelos para cravação das estacas e respectivas unidades de potência, área de armazenagem geral e área social.
O movimento longitudinal é realizado por cilindros hidráulicos e dispõe de travão mecânico por encavilhamento sempre que se encontra estacionada.
Guia de Gravação de Estacas
A Guia de Cravação de Estacas permite guiar os tubos das estacas durante a sua cravação.
Este componente está equipado com plataformas de trabalho e escadas que garantem o acesso à zona de corte das estacas e zona de empalme, assim como à carlinga dos pilares.
A posição da Guia de Cravação de Estacas é ajustada com o auxílio da topografia para garantir a posição correta das guias.
Durante a fase de cravação, este componente está ancorado às Vigas de Apoio. A sua movimentação é feita por cilindros hidráulicos.
Figura 9 – Estruturas metálicas do cantitraveller e seu conjunto.
Sistema de Ajuste da Pendente Longitudinal
Este componente auxiliar é utilizado para ajustar a pendente longitudinal da Plataforma de Apoio à Cravação de Estacas nos alinhamentos 5 e 6 de forma a acompanhar a pendente do tabuleiro. A operação consiste em subir o sistema no apoio traseiro, rodando em torno do apoio central onde se encontra ancorado, para fazer baixar a extremidade dianteira até encontrar com o apoio respectivo.
Cinemática da Operação
Figura 10 – Cinemática da operação na cravação em avanço e construção em sequência.
Sistema de Alteração de Pendente – SAP
Devido ao raio de curvatura vertical da diretriz da ponte, houve a necessidade de realizar a transferência e rotação de todo o sistema passando de uma inclinação longitudinal de (- ) 2,83% para (+) 2,45%.
Figura 11 – Sistema de alteração de pendente – SAP. Rotação de corpo livre.
Figura 12 – SAP e o pórtico provisório instalado no apoio (i) que serviu de base à instalação dos macacos que permitiram a rotação no vão (i+1) de todo o Cantitraveller – conjunto (estrutura metálica + grua de 200ton).
Boas Práticas e Aprendizados
Estudo de Área
Localização: Área de Proteção Ambiental (APA) Costa Itacaré/Serra Grande
A APA Costa Itacaré/Serra Grande localiza-se ao Norte da Costa do Cacau, ocupando uma faixa litorânea de 28 km de extensão, abrangendo os municípios de Ilhéus, Uruçuca e Itacaré. O Governo do Estado da Bahia criou a APA Costa de Itacaré/ Serra Grande, considerando a relevante importância para a preservação ambiental, pela presença de formações naturais rochosas (falésias) causadas pela ação do vento e da água associadas à remanescentes da Mata Atlântica e planícies costeiras com a presença de vegetação de restinga, além de importante ecossistemas marinhos, constituindo valioso patrimônio ambiental. Possui manguezais, matas ciliares e bolsões de desova de tartarugas.
Atributos Naturais
Essa região é caracterizada pelo alto grau de biodiversidade, com cerca de 458 espécies diferentes de árvores por hectare. Este é um dos lugares com o índice mais elevado do mundo com espécies que ocorrem exclusivamente nesta região geográfica. Representa um dos mais importantes blocos de remanescentes florestais de mata Atlântica da Costa Nordestina e é um dos bolsões de desova de tartaruga marinhas nas praias.
Programa de Controle de Erosão e Assoreamento
Medida de Contenção com Manta Geotêxtil
Manguezal é um ecossistema costeiro que atua como berçário para diversas espécies e protetor contra as mudanças climáticas. A vegetação de mangue serve para fixar as terras, impedindo assim a erosão e ao mesmo tempo estabilizando a costa. Além disso, os manguezais preservam a qualidade da água e reduzem a poluição por filtragem de materiais em suspensão e assimilação de nutrientes dissolvidos.
Para a viabilização da implantação do Cantitraveller, foi necessário fazer um aterro provisório, necessário para a movimentação de entrada e saída da plataforma e armazenamento das vigas metálicas.
Antes de iniciar o aterro provisório foi construída uma barreira de contenção para impedir o escoamento de material sólido até o leito do Rio Almada. Esta barreira foi feita com manta geotêxtil estendida em torno do limite de supressão vegetal realizada no Manguezal.
Figura 13 – Identificação das barreiras de proteção ambiental provisórias.
Com o avanço das obras e a implantação da área industrial fez-se necessário o prolongamento da barreia de contenção de sólidos utilizando manta geotêxtil em torno do limite de supressão vegetal.
Figura 14 – Barreiras provisórias de proteção ambiental junto das áreas de trabalho.
Com a instalação da Manta Geotêxtil no entorno da área de Manguezal, constatou-se através da ausência de turbidez na água do rio que essa medida preventiva conteve os sedimentos e não houve alteração na qualidade da água, evitando os impactos antrópicos sobre o rio.
Figura 15 – Posição relativa das barreiras provisórias na área de trabalho.
Figura 16 – Barreiras provisórias que acompanham todo o eixo da obra geral – terraplanagem e encontros da Ponte.
Atividades Preliminares para Supressão Vegetal
Afugentamento de Fauna e Resgate de Flora
As atividades de afugentamento de fauna e resgate de flora precedem as atividades de supressão de vegetação, como forma de evitar óbitos de espécies animais e a capturas destes para reabilitação em outras áreas. Mesmo após a liberação da área, a supressão é acompanhada de perto pela equipe de afugentamento de fauna e resgate de flora.
Marcação da Poligonal e Cadastramento Arbóreo
A marcação topográfica é realizada de forma a assegurar que a supressão ocorra exclusivamente nas áreas autorizadas e que todos os indivíduos arbóreos com Diâmetro a altura do Peito (DAP) maior que 30 cm sejam identificados, numerados e georreferenciados com o objetivo de garantir a rastreabilidade de seu replantio.
Desenvolvimentos Futuros
Em termos de projetos futuros, acreditamos que este sistema de montagem do cantitraveller, pode ser otimizado trabalhando-se o projeto estrutural da Ponte definitiva, com o dimensionamento da Ponte para a sua fase construtiva, eliminando todas as operações de montagem e rotação das vigas principais do cantitraveller sequências de trabalho que pertencem ao caminho crítico deste tipo de projetos.
Deste modo, o dimensionamento da Ponte para as ações horizontais e verticais da fase construtiva, permitirão garantir prazos de construção interessantes numa obra repetitiva com ganhos substanciais na performance final do projeto, mitigando todos os impactos ambientais na sua envolvente.
Testemunho dos projetistas do método construtivo
Aquilino Raimundo(1), Astecil, Lda | Strukturas as;
Paulo Fidalgo(2), HDP – Gabinete de Serviços e Projectos de Engenharia Civil, Lda.
“Ainda que habituado(1) a trabalhar em processos construtivos especiais nos últimos cerca de 30 anos, confesso que como engenheiro responsável dentro da equipe de projeto pela concepção da solução do Cantitreveller, foi um enorme desafio trabalhar neste projeto e desenvolver num prazo curto a solução ótima tendo em conta a especificidade da mesma.
Hoje recordo com orgulho os desafios colocados pelos limites de pesos a observar, pela cinemática inovadora do sistema que nos permitiu avançar em segurança no reduzido raio de curvatura vertical, na forma como contemplamos os desvios de trajetória acumulados ao longo dos alinhamentos de pilares, os acessos a todos os pontos do sistema onde os operadores necessitavam chegar, a gestão do centro de gravidade do conjunto, o dispositivo de guiamento das estacas na extremidade dianteira, a montagem e a desmontagem final e muitos outros pequenos detalhes que seria fastidioso aqui referir.
Foram muitas horas de foco na concepção da solução e na sua optimização que resultaram na gratificante constatação que durante todo o período de utilização do sistema em obra, não recebemos um único pedido de esclarecimento ou de resolução de qualquer problema.
Seria injusto aqui não referir os colegas(2) que dimensionaram estruturalmente o sistema e os colegas que em obra tão bem interpretaram a utilização da solução, garantindo assim que a mesma fosse utilizada dentro do âmbito para a qual foi desenvolvida, operando no nível de segurança para a qual foi concebida.”
Informações Complementares
Este Infografico ilustra todo o processo construtivo.
Além da expertise técnica, a EMPA empregou também seus principais valores para garantir o sucesso do projeto: engenharia, planejamento, compromisso, qualidade, segurança e responsabilidade ambiental.
Acesse a matéria divulgada na Revista O Empreiteiro, edições de Abril/2022 e edição de Dezembro/2021.




























